名稱:NoBSs水凝膠
組成:咖啡酸、乙二醇殼聚糖、硅酸鹽納米黏土、平滑激動劑
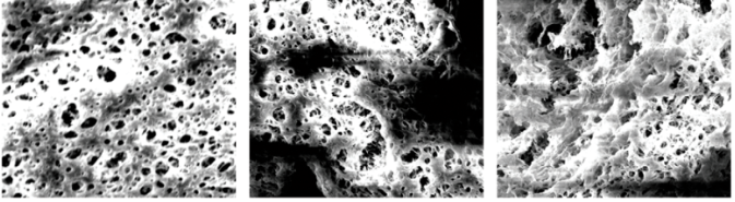
粒徑:網絡結構,10-50um孔
應用:水凝膠骨密封膠促進骨再生
儲存條件:-4℃
其他說明:密封狀態下保質期半年【主要優勢】該水凝膠骨密封膠減少了傳統抗生素的使用,并且增強了骨髓間充質干細胞在骨愈合過程中的功能。此外,NoBS表現出良好的生物相容性,可作為細胞傳遞載體。NoBS具有優異的骨誘導能力,可有效地促進小鼠顱骨缺損的骨再生。
題目:
Inspired by Nature: Facile Design of Nanoclay–Organic Hydrogel Bone Sealant with Multifunctional Properties for Robust Bone Regeneration
文章鏈接:
https://mp.weixin.qq.com/s?src=11×tamp=1689126195&ver=4645&signature=kJJp87eUByZic3l3vqZ7khO6nA1K9pBOfOfBk2HUn5xNU13oORuCRW07tQjaajTyMByY9OzF1O-0k4WzeLCWQ2LIEA0rmQs4XpXXB5BXncyhEQvWVoskHmaaXYFFyfWs&new=1
留言咨詢
|
|
 |
| 生物納米材料前沿 |
 |
| 納米醫學Frontier |
|
溫馨提示:蘇州北科納米供應產品僅用于科研,不能用于人體,不同批次產品規格性能有差異。網站部分文獻案例圖片源自互聯網,圖片僅供參考,請以實物為主,如有侵權請聯系我們立即刪除。
提示說明:納米材料工藝和制備可能會有改變 所有納米材料均支持按需定制 下單前聯系客服確認產品詳細信息。 |